パネルと縦枠のコントラストによって、統一感のある手摺フレームを美しく見せる意匠にしました。
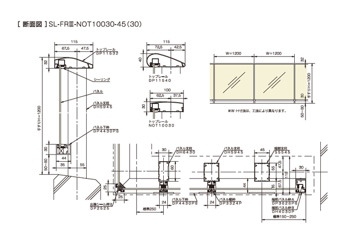
【断面図】
カサレール工法 SRシリーズ
カサレール工法 STシリーズ
ボイドアンカー工法
ツインアンカー工法
ダイキャストアンカー工法
アルミネマキアンカー
壁支持工法(トップレール)/カク
壁支持工法(下枠)
内控え柱+くぐり止め(オプション)